
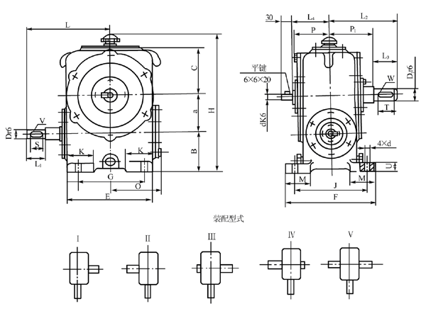
圓柱蝸桿減速器的外形、安裝尺寸及裝配形式

|
型號
|
a
|
B
|
C
|
D
|
D1
|
E
|
F
|
G
|
H
|
J
|
K
|
L
|
L1
|
L2
|
L3
|
L4
|
|
WD80
|
80
|
90
|
105
|
20
|
35
|
190
|
200
|
150
|
305
|
160
|
60
|
190
|
50
|
158
|
58
|
90
|
|
WD100
|
100
|
110
|
135
|
25
|
40
|
240
|
210
|
180
|
375
|
170
|
70
|
225
|
60
|
182
|
82
|
100
|
|
WD120
|
120
|
120
|
150
|
30
|
45
|
270
|
220
|
200
|
420
|
180
|
80
|
275
|
80
|
197
|
82
|
110
|
|
型號
|
M
|
O
|
P
|
P1
|
S
|
T
|
U
|
V(b×h)
|
W(b×h)
|
d
|
轉動慣量kg·m2
|
質量kg
|
|
WD80
|
60
|
120
|
83.5
|
100
|
40
|
50
|
20
|
6×6
|
10×8
|
18
|
0.265×10~3
|
36.5~38.5
|
|
WD100
|
70
|
145
|
90
|
100
|
40
|
60
|
20
|
8×7
|
12×8
|
18
|
0.84×10~3
|
53~65
|
|
WD120
|
80
|
165
|
102
|
115
|
50
|
60
|
20
|
8×7
|
14×9
|
18
|
1.79×10~3
|
75.4~81.7
|

|
型號
|
a
|
B
|
C
|
D
|
D1
|
E
|
F
|
G
|
H
|
J
|
K
|
L
|
L1
|
L2
|
L3
|
L4
|
|
WD150
|
150
|
150
|
165
|
35
|
65
|
370
|
340
|
310
|
513
|
280
|
100
|
303
|
58
|
315
|
105
|
190
|
|
WD180
|
180
|
180
|
190
|
40
|
70
|
430
|
360
|
360
|
593
|
300
|
120
|
362
|
82
|
345
|
105
|
215
|
|
WD210
|
210
|
210
|
215
|
45
|
80
|
490
|
400
|
400
|
683
|
320
|
140
|
412
|
82
|
385
|
130
|
225
|
|
WD250
|
250
|
250
|
265
|
50
|
90
|
570
|
430
|
440
|
813
|
360
|
160
|
442
|
82
|
395
|
130
|
240
|
|
WD300
|
300
|
300
|
320
|
70
|
120
|
670
|
500
|
520
|
968
|
420
|
200
|
535
|
105
|
465
|
165
|
270
|
|
WD360
|
360
|
360
|
370
|
80
|
150
|
840
|
610
|
650
|
1138
|
440
|
240
|
640
|
130
|
575
|
200
|
340
|
|
型號
|
M
|
O
|
P
|
P1
|
Q
|
R
|
S
|
T
|
U
|
V(b×h)
|
W(b×h)
|
d
|
轉動慣量kg·m2
|
質量/kg
|
|
WD150
|
90
|
230
|
180
|
210
|
455
|
200
|
50
|
100
|
30
|
10×8
|
18×11
|
22
|
3.11×10~3
|
146~163
|
|
WD180
|
90
|
270
|
205
|
240
|
515
|
230
|
60
|
100
|
30
|
12×8
|
20×12
|
22
|
7.63×10~3
|
295~327.5
|
|
WD210
|
100
|
300
|
215
|
255
|
585
|
250
|
70
|
140
|
30
|
14×9
|
22×14
|
22
|
23.50×10~3
|
298~344
|
|
WD250
|
120
|
340
|
225
|
265
|
665
|
270
|
80
|
125
|
40
|
14×9
|
25×14
|
26
|
79×10~3
|
480~513
|
|
WD300
|
150
|
405
|
255
|
300
|
765
|
310
|
90
|
140
|
50
|
20×12
|
32×18
|
32
|
143×10~3
|
771~904
|
|
WD360
|
180
|
490
|
325
|
375
|
905
|
360
|
110
|
180
|
50
|
22×14
|
36×20
|
39
|
223.13×10~3
|
1195~1395
|

冀公網安備13092802000153號